 
    
    
讲到《生化危机》系列游戏,除了殭尸满街跑、里昂薪水高之外,这款游戏出现的女性角色应该也是吸引玩家的一大部分,从殭尸阵里杀出重围的女性,每一位都个性坚毅果敢,身材跟脸蛋当然都是一级棒!不过大家一边杀殭尸一边打连段的时候,有没有想过这些女主角们的脸部模块是哪来的?可能会有人认为是自行 3D画出来的,其实不然,这些女主角的脸蛋都是以真人模特为原型来建模的。今天就让大家认识其中的几位。吉尔(Jill Valentine)/Julia VothJulia Voth是美国一位模特,再成为吉儿的“脸模”后才开始爆红,据说当时欧美玩家没有一个不爱死茱莉亚的说。海莲娜(Helena Harper)/Katherine randolph好个薪水高的里昂不管走到哪都有美女相陪,真是太幸福了。但还好这次的海莲娜
据报道,卡普空将为PS4打造一款原创新游,以此发挥次世代主机的全部性能。《深坑》是卡普空正在制作的一款龙与地下城风格的RPG,我们已经在索尼上周的发布会上见过了。游戏采用全新引擎,专为次世代主机打造。该作制作人小野佳纪向媒体透露,索尼之所以选择制作全新游戏,而不是制作街霸或者生化的续作,就是为了跳出自己老牌游戏的圈子。“我们希望能够肆意运用PS4的硬件性能,不再局限于已有作品的框架中。当然,通过此项目积累的次世代开发经验还会让我们在制作续作时更加得心应手。”小野还表示,他个人非常喜欢PS4,因为它对开发者很友好。“制作游戏变得更简单,在线服务也融合的非常好。”《深坑》是PS4发布会上少有的几个惊喜之一,它在发布会之前一直都是保密的。小野表示“能受邀参加发布会,我非常荣幸。但同时我也非常纠结,我展示的游戏和引擎都
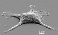
这听起来可能有点像是一部科幻影片的东西,但是科学家表示,他们已经制成"僵尸细胞",它们死亡后能够继续发挥作用。但是与好莱坞大片里的行尸走肉不同,实际上这些细胞的一些功能会比生前发挥的更好。科学家表示,通过用硅酸覆盖有机细胞,它们所能承受的温度和压力将会远比活着时大。这项技术意味着科学家可以通过"把重要生物材料变成化石",达到保护它们的作用。美国新墨西哥大学和阿尔伯克基桑迪亚国家实验室的研究人员开发了这项新技术。科学家利用硅酸给哺乳动物细胞"防腐",制成该结构几乎接近完美的复制品。他们认为,可以把僵尸细胞应用于工业生产,例如燃料电池或者传感技术,以及未来的纳米技术。美国最著名的政治类博客网站The Huffington Post援引这项研究的主要研究人员布莱恩-卡尔的话说:"研究人员很难制造纳米级别的结构。我们能
僵尸题材的电视剧、电影、游戏已经成为潮流了,甚至已经有泛滥的嫌疑,曾经的“我擦僵尸!”变成了“唉,又是僵尸……”在如此多的同类作品下,许多人已经感到审美疲劳了。不过,即便如此,我们仍有理由期待下列十款未上市的僵尸题材作品,一起来看看吧。10.《腐烂国度》《腐烂国度》,原先叫做《Class3》,是由Undead Labs开发的XBLA独占的开放世界游戏。本作强调生存,潜行,躲避僵尸而不是用枪杀出一片希望。你可以找到生还者,组成小组,找到并且武装基地,到处寻找补给品--基本上你所做的每一件事都和真正的丧失末日相差无几,你不能像婴儿一样趴在地上哭泣,等待着糟糕的事情灰飞烟灭,你只能面对现实,雄起吧,骚年!9.《生化危机:启示录》诚然,《生化危机:启示录》去年已经在任天堂的3DS上发售过了,但是本作将完全移植到主机和P
喜爱Capcom公司名下经典恐怖大作“生化危机”系列的朋友应该都不会对浣熊市陌生,毕竟它在官方设定中是第一座遭遇大规模T病毒爆发危机的城市,而后又被美帝政府以一颗核弹给无情毁灭。 闲话少叙,似乎是为这座满是悲剧色彩的虚构城市所启发,国外Ebay网友mf15msmzti自己动手制作了一款,嗯,可能是有史以来最重口味的游戏“手办”,因为后者实际上是一只真浣熊的身体标本外加一些人造的装饰物共同构成,浣熊口中被塞入了一些分节触须状物(还记得《生化危机》电影版里威斯克大叔的多瓣嘴么:),手办的底座上则醒目的印有“生化危机”系列里幕后黑手——保护伞公司的Logo,看上去真心拉风。 这款手办最终在Ebay网上以15美
艾达·王(Ada wong)是“生化危机”系列游戏最重要的女主角之一,华裔美国人。游戏设定是位特工,执行任务遇上男主角里昂,两人因共同患难互相产生好感。Cos欣赏:
《生化危机》的粉丝们,好戏来了。还记得《生化危机》1.5吗?重制这部经典作品的制作组现在放出了一个半成品,你可以直接下载它。这简直就是做到一半的美梦啊,不要犹豫了,赶紧下来看看吧。不过,还是得提醒一下,由于这是未完工的作品,你在运行它的时候可能会遇到一些不顺利。视频展示:根据其开发团队称,这个半成品相当的不稳定,因为他们在这个版本中进行了一些小型的改进实验。这个半成品版本又被他们戏称为“魔法僵尸门”。你现在可以从这里下载这个半成品。当然,你还需要一个PSX模拟器,这里可以下载到。
《生化危机》系列近年来一直在动作导向方面扩展疆土但却并不被认可,一直达不到之前的高度。《生化危机4》是成功的动作恐怖游戏却把系列引向歧途。《生化危机5》就平庸了;《浣熊市行动》被人们所厌弃;《生化危机6》尽管还未出炉,但是其预告片似乎已经预示了作品的失败。这一个曾经如日中天的恐怖生存系列已经不复当年了。然而,卡普空似乎终于明白了什么事情才是正确的要去做的。卡普空战略计划商业开发部的副总Christian Svensson在拉斯维加斯表示《生化危机》的确需要改进:“我们在过去的12个月中发放了许多作品;《启示录》《浣熊市行动》和《生化危机6》。而在近几个月我们还会把《启示录》一直到PC上。但自此之后,我们将韬光养晦,重整开发过程并思考这个系列的未来出路。”但是这个未来具体是什么呢?更多僵尸?更多枪支?更多B级烂梗
《生化危机:启示录》制作人川田将央承认,卡普空最近制作的《生化危机》游戏实在有点太多了。在接受媒体采访时,川田将央说《生化危机》系列最近出的作品有点太多了,去年一年就发售了三款,《启示录》《浣熊市行动》和《生化危机6》。“我必须承认,最近两年的《生化危机》游戏出的太频繁了。我认为已经在去年的失败中学习到了,同一个系列的游戏出的太多并不会吸引来玩家。”他继续说到,为了让《生化危机》系列越做越好,或许他们应该延长两部作品之间的时间间隔。“我们应该永远以提升游戏品质为前提。如果两部作品之间的间隔时间更长能够提升游戏品质,那么我们就会这么做。但必须说明,我们延长发售间隔是为了提升游戏品质,而不是单纯为了拖时间。”《生化危机:启示录》是去年的3DS独占游戏,将于今年晚些时候登陆Wii U ,Xbox 360和PS3。
《生化危机》制作人Masachika Kawata就恐怖游戏中的动作与射击元素的平衡,已经稍微改变了点想法。在VideoGame的采访中,Kawata说生存恐怖游戏不如动作和射击游戏卖得好,《生化危机》也必须接受这一趋势。“看看玩家们对上几个游戏的反馈,我已经开始稍微改变了我之前的看法,”他说。“我一直在想这个问题,比如,就像我说的将《生化危机:启示录》移植到主机上,这款游戏包含传统的《生化危机》元素,但这款作品也含有许多玩家所期待的动作元素。希望本作可以吸引这两种类型的玩家。”Kawata说卡普空在最近12个月里采取了许多种不同的办法,并说他依然认为“在游戏中增加新元素,使其更加鲜活并保持本色”是对发行商本身的一种挑战。比如,Kawata说比如,假如纯射击游戏《浣熊市行动》要推出续作,卡普空会加入恐怖元素在里
相信你看到这则消息的时候心情跟我一样非常开心!小编我是忍得有多辛苦啊!没有去下载来看,坚持看电影院的高清版!我终于等到了!李冰冰进入2月,春节的脚步愈发临近了,但对于影迷来说,或许3月才是更盛大的节日 -- 据可靠消息透露,由游戏改编的《生化危机5:惩罚》科幻动作大片终于要在3月20日于大陆观众见面了。影片在公布初期,由于中国女星李冰冰参演而受到了国内观众的极大关注。此部影片随后在2012年9月在国外上映,原定 于同期上映的国内却一直没有消息。有业内人士认为,此片在国内的延期上映疑似因钓鱼岛问题。李冰冰饰演的艾达·王是《生化危机》系列中一个重要的女性角色,她最早被提及是在《生化危机1》游戏中,直至游戏版第二集她才以特工的身份正式登场,一开始登场是作为安布雷拉阿克雷研究所新主任约翰的女友,但实际上是某神秘组织的间
于去年在3DS平台发售并收获好评的《生化危机:启示录》的制作人川田将央在伦敦接受了IGN的采访。“《生化危机》系列应该可以从头开始”,发表了自己对系列今后走向方面的一些看法。 在采访中,川田表示卡普空在制作游戏时最重要的是将玩家的需求牢记于心:作游戏时一直在考虑玩家们是希望让克里斯、吉尔这样的元老级角色登场呢,还是过去曾经出现在系列某作中的角色登场。同时也谈到了将过去的角色全部抛弃,将系列推倒重建的可能性。 “《生化危机》系列应该可以从头开始。但那也还是《生化危机》。只是更换了角色,为了做出一款好游戏所需要的本质性的东西我们不会丢。” 川田还对比起恐怖游戏来,射击类等
转眼间,《生化危机》已经度过了漫长的17个春秋。为了庆祝这一里程碑式的时刻,Capcom推出了PS3版周年纪念包。这个同捆包包含以下游戏的光盘:生化危机6(Resident Evil 6)生化危机5黄金版(Resident Evil 5 Gold)生化危机:重生精选辑(Resident Evil: Revival Selection)这个纪念包还有几款PS游戏的下载激活码,可以在PSN上使用,包含的游戏有:生化危机:导演剪辑版(Resident Evil: Director’s Cut)生化危机2(Resident Evil 2)生化危机3(Resident Evil 3)仅针对日本地区的《生化危机:重生精选辑》包含《生化危机4》和《生化危机:圣女密码》的高清重制版。这样算下来,这个特制的包裹里面实际包含七款《
今天的话题是:《生化危机》系列游戏真的恐怖吗?当然,我可以告诉你,我没有发抖,只是天有点冷而已!恐怖话题一向都是那么的吊人胃口,人们感到“惊悚”的事物也是各有不同,就以我来说吧,我特别害怕蜘蛛,即使是几毫米的小块头也能让能把我吓一个大跟头,但我却酷爱小蛇和七星瓢虫,而我的一个朋友却怕蛇怕得要命,你可以说我是一个富有冒险精神的家伙,我的表哥经常叫我坐在电脑前帮他打《生化危机》,原因是因为他不敢玩,或者说他更喜欢看我尖叫,但我令他失望了,我认为生化危机与其说是一款恐怖游戏,更不如说是一款解迷游戏,在游戏中的每一个关卡都要找到特定道具才能通过,然而,这款游戏中我最爱欺负的是那些跑龙套的僵尸们,多亏了他们这部游戏才有了些许恐怖的色彩,所以我真的想说一句:最近的恐怖游戏真的恐怖吗?他们惊悚不?虽然这只是我个人的观点,这个
《生化危机》系列的角色设定是比较抢眼的一部分,尤其是其中的女性角色。不管她们是来自游戏,电影,小说还是其它产品,这些女性都成为了系列中最靓丽的一道风景。这些女性角色不但美丽,还拥有过人的胆识,杀手的本能,以及屠杀僵尸的力量。下面我们就为大家列举一下整个系列中出现过的10大女性角色。她们在这个充满丧尸的世界中求生,并给我们带来了难忘的回忆。她们中的很多人之间还有着千丝万缕的关系。(注:请不要在意排名》10.Rebecca Chambers对于一个18岁就在大学修完了整个生物化学专业的女孩子来说,不引人注目是不可能的。浣熊市的S.T.A.R.S.组织雇佣了这位天才来作为B组的后防安全人员和医护人员。她执行的第一个任务就与僵尸,火车以及洋馆有关。她并没有一直躲在S.T.A.R.S.队友的后面,反而展示了惊人的战斗和医
日本11岁就出道拍写真的女星入江纱绫与游戏有着不解之缘,曾代言PSP游戏《热带约会》,还是《生化危机》官方代言人。这位人气女星将于24日推出了其最新写真集《I am…》,大尺度挑战性感极限。据悉,该写真拍摄于印度尼西亚 巴厘岛,写真集采用鳄鱼皮封面,售价约为220元。纱绫身高1米52,三围B80-W57-H80,拥有傲人身姿,白玉肌肤的紗綾身裹极小比基尼,丝毫掩盖不了F杯的迷人身材。挑战胸部只有泡沫掩盖的极限性感姿态。据称,该写真集写入“做自己”、“让你看到我的全部”等宣传用语。22日下午1点,纱绫将在东京福家书店举行发售仪式。写真欣赏:
由英佩游戏(原epic games中国)开发的游戏《佣兵行动》,是一款虚幻引擎的丧尸射击游戏,这是在iTunes上最棒的生化危机游戏,尽管不是一个“真的”生化危机游戏。游戏中的iTunes描述写得很清晰:“在雇佣兵行动中,你是leo,一个经验丰富的佣兵受雇去完成一项艰难任务 -- 隔离一个欧洲小镇的生化危机,避免病毒蔓延到其他主要的欧洲城市!你将面对受感染的敌人和他们的雇主!”leo。不是Leon, 嗯。英佩可能在创意上有点问题 -- 而《佣兵行动》是一款跟名字完全不同的游戏 -- 但它依然是款感觉良好的射击游戏。视觉效果不错,射击系统也非常好,铁杆玩家可以选择更传统的控制方案,陀螺瞄准可以让那些玩iOS游戏的人很高兴。你可以在ipad等平板上完美运行这款游戏。《佣兵行动》在iTunes上可以免费试玩一个关卡,
据香港《文汇报》报道,香港荃湾深夜有“丧尸”出没。一名90后迷幻青年,24日晚疑吸食新兴毒品“浴盐”后顿变“丧尸”,如行尸走肉般至荃湾葵盛围一间中学外,甫见学校保安员突发狂袭击,仅隔9分钟再于附近紧咬另一名夜归少女颈部,大批警员事后到场围捕,终将迷幻青年制服拘捕,3人先后送院检查及敷治。19岁青年疑服“浴盐”发狂发狂连环伤人的青年姓黄、19岁,将被控以“袭击致造成实际身体伤害”罪名;由于他被捕时神志不清,不排除曾吸服毒品或滥药,稍后将进一步检验确定。现场有缉毒经验丰富的执法人员指,该青年无故袭击及咬人,极可能曾吸服新兴毒品“浴盐”。“浴盐”主要成分为MDPV,属药性强烈的中枢神经兴奋剂,外观为白色盐状粉末。吸食“浴盐”会令人兴奋,并产生暴力倾向及侵略性,同时又会磨牙和想咬人,表现有如丧尸般,外国就曾发生有服食者
前Epic工作室明星设计师Cliff Bleszinski表示,非常希望能够在将来制作《生化危机》游戏。 他上周末在Twitter上说“嘿,卡普空,给我打电话啊。我们一起改正《生化危机》 :-)” 他说“改正”是因为最新一款《生化危机6》受到的评价不温不火,Metacritic上,Xbox 360版得分67,PS3版得分76。 评分还算不太糟糕,但明显比前辈们有很大差距:《生化危机4》96分,《生化危机5》83分,《生化危机:启示录》82分,《生化危机4 HD》84分。 Cliff Bleszinski曾制作过许多广受欢迎的动作游戏
著名玩具公司Hot Toys将于明年推出《生化危机》系列经典人物艾达·王的手办。跟之前该公司的其他产品一样,本次手办依然保持了超高的制作水准。鲜红的旗袍,性感的站姿,彪悍的武器,这一期搭配在一起却是那么的精美。手办定价为200美元,将会在2013年3月份推出。手办欣赏:
 京ICP备14006952号-1   京B2-20201630   京网文(2019)3652-335号 沪公网安备 31011202006753号违法和不良信息举报/未成年人举报:legal@3dmgame.com
CopyRight?2003-2018 违法和不良信息举报(021-54473036) All Right Reserved
















